Heat Pump Ground To Water
Service:
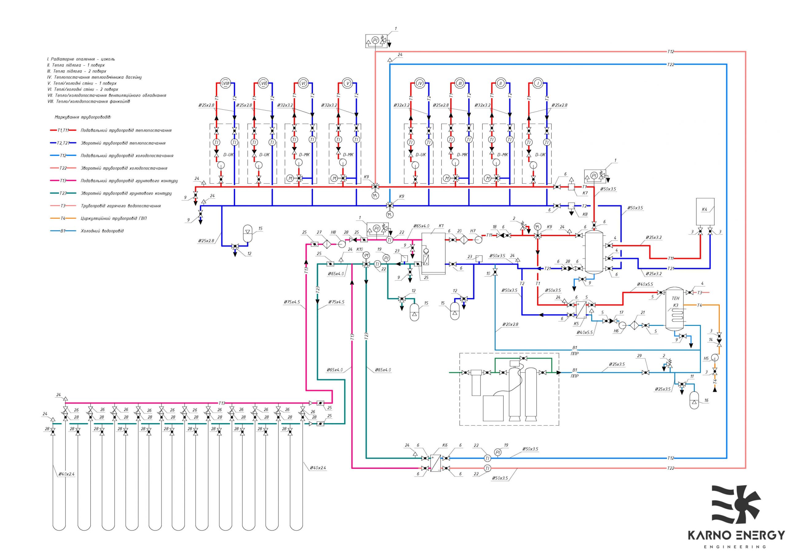
Plant Room Design Based On Geothermal Heat Pump
Building- type:
Residential House
Area:
350 sq.m.
Location:
Kyiv





Description:
350 sq. m. cottage
Scope:
Develop heating, cooling, and public health system for cottage using BIM technology.
What we did:
Karno Energy team developed a complex project of heating/cooling and water supply of a private house with a total area of 350 sq. m.
The heating source is a heat pump based on geothermal technology.
The heat pump is sourcing buildings for heating and hot water during winter.
Also, it is working for passive cooling in summer.
Send us a message
